Beni ara
Yurtiçi:+86-18169817259
Denizaşırı:+86-13790081902
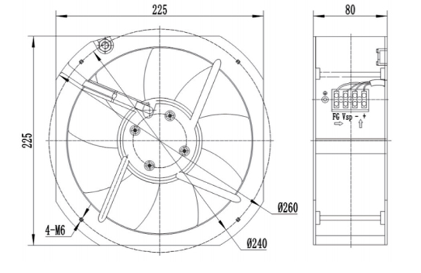
Malzeme: pervane elektrik kaplama ile soğuk plaka yapılmış, 9 fan kanatları, çerçeve alüminyum alaşımdan yapılmış
Rulman: rulman
Hız kontrolü: kontrol girişi 0 ~ 10V/PWM
Çalışma sıcaklığı: -25 ~ 55 ° c
Yalıtım sınıfı: B
Koruma sınıfı: IP44
Onaylar: CCC, CE

Performans:

Çalışma noktası | Statik basınç (Pa) | Hava akımı (m3/H) | Hız (r/dak) | Güç (W) |
1 | 25 | 960 | 2890 | 65 |
2 | 50 | 900 | 2850 | 64 |
3 | 75 | 820 | 2800 | 65 |
4 | 85 | 700 | 2780 | 64 |
Fan modeli | Motor tipi | Voltaj | Güç | Akım | Hız | Hava akımı | Gürültü |
(V) | (W) | (A) | (R/dak) | (M3/H) | Lp:dB(A) | ||
AG200C-D092A6-** | DM092A6 | DC24V | 65 | 2,5 | 2950 | 980 | 68 |
AG200C-D092A8-** | DM092A8 | DC48V | 65 | 1.3 | 2950 | 980 | 68 |
AG200C-D092A0-** | DM092A0 | DC310/160V | 65 | 0.3 | 2950 | 980 | 68 |
Hızlı bağlantılar