Beni ara
Yurtiçi:+86-18169817259
Denizaşırı:+86-13790081902
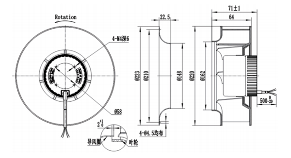
Malzeme: pervane PA66 yapılmış
Rulman: rulman
Hız kontrolü: kontrol girişi 0-5/10V veya PWM
Çalışma sıcaklığı: -25 ~ 60 ° c
Yalıtım sınıfı: B
Koruma sınıfı: IP44
Onaylar: CCC, CE

Performans:

Çalışma noktası | Statik basınç (Pa) | Hava akımı (m3/H) | Hız (r/dak) | Güç (W) |
1 | 100 | 880 | 3096 | 120 |
2 | 195 | 770 | 3075 | 134 |
3 | 285 | 660 | 3050 | 138 |
4 | 360 | 550 | 3050 | 138 |
Fan modeli | Motor tipi | Voltaj | Güç | Akım | Hız | Hava akımı | Gürültü |
(V) | (W) | (A) | (R/dak) | (M3/H) | Lp:dB(A) | ||
BC220A-D092A6-** | DM092A | DC24 | 107 | 4.45 | 3100 | 990 | 76 |
BC220A-D092A8-** | DC48 | 108 | 2.24 | 3100 | 990 | ||
BC220A-D092A0-** | DC310 | 105 | 0.75 | 3500 | 990 |
Hızlı bağlantılar