Beni ara
Yurtiçi:+86-18169817259
Denizaşırı:+86-13790081902
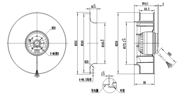
Malzeme: pervane PP yapılmış
Rulman: rulman
Hız kontrolü: musluklar (çok hızlı ürün) kaydırır
Çalışma sıcaklığı: -25 ~ 55 ° c
Yalıtım sınıfı: F
Koruma sınıfı: IP44
Onaylar: CCC, CE

Performans:

Çalışma noktası | Statik basınç (Pa) | Hava akımı (m3/H) | Hız (r/dak) | Güç (W) |
1 | 70Pa | 1150 | 2258 | 163 |
2 | 140Pa | 1000 | 2210 | 168 |
3 | 200Pa | 850 | 2190 | 170 |
4 | 245Pa | 715 | 2180 | 169 |
5 | 300Pa | 570 | 2196 | 168 |
Fan modeli | Motor tipi | Voltaj | Güç | Akım | Hız | Hava akımı | Gürültü |
(V) | (W) | (A) | (R/dak) | (M3/H) | Lp:dB(A) | ||
BC250A-A092D2-** | AM092D | AC230/50Hz | 170 | 0.74 | 2400 | 1250 | 75 |
Hızlı bağlantılar