Beni ara
Yurtiçi:+86-18169817259
Denizaşırı:+86-13790081902
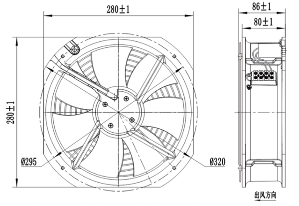
Malzeme: elektrikli kaplama, 7fan bıçakları ile soğuk plakadan yapılmış pervane, alüminyum alaşımdan yapılmış çerçeve
Rulman: rulman
Hız kontrolü: musluklar (çok hızlı ürün) kaydırır
Çalışma sıcaklığı: -25 ~ 55 ° c
Yalıtım sınıfı: F
Koruma sınıfı: IP44
Onaylar: CCC, CE

Performans:

Çalışma noktası | Statik basınç (Pa) | Hava akımı (m3/H) | Hız (r/dak) | Güç (W) |
1 | 20 | 1780 | 2500 | 128 |
2 | 40 | 1700 | 2480 | 130 |
3 | 60 | 1580 | 2450 | 131 |
4 | 70 | 1500 | 2400 | 130 |
Fan modeli | Motor tipi | Voltaj | Güç | Akım | Hız | Hava akımı | Gürültü |
(V) | (W) | (A) | (R/dak) | (M3/H) | Lp:dB(A) | ||
AG250B-A092C2-00 | AM092C2 | AC230/50Hz | 128 | 0.56 | 2550 | 1850 | 66 |
Hızlı bağlantılar