Beni ara
Yurtiçi:+86-18169817259
Denizaşırı:+86-13790081902

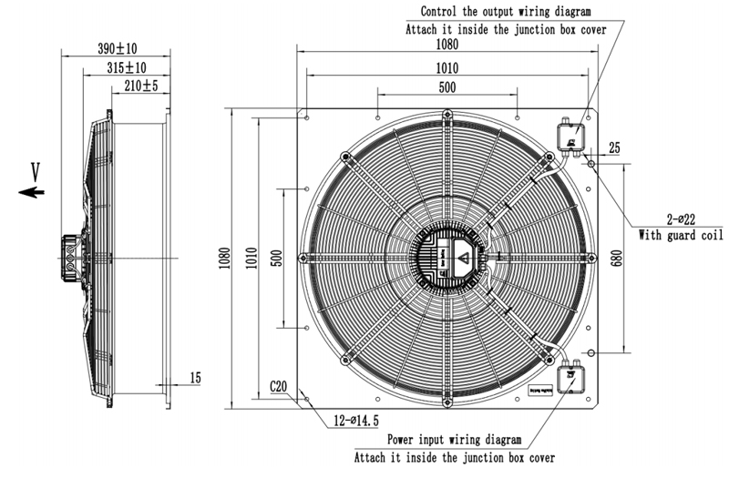
Fan performans eğrisi:

| Model | EC950-32KW | |
| Faz | 3 | |
| Voltaj | 380-480 | VAC |
| Frekans | 50/60 | Hz |
| Hız | % 950 + 5 | RPM |
| Güç | % 3200 + 10 | W |
| Akım | 7.0 10% | Bir |
| Statik basınç | 130 | Pa |
| Hava akımı | % 29000 + 10 | M3/h |
| Gürültü | ≤ 80 + 1.5 | DBA |
| Koruma seviyesi | IP55 |
Hızlı bağlantılar