Beni ara
Yurtiçi:+86-18169817259
Denizaşırı:+86-13790081902
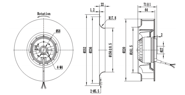
Malzeme: pervane PA66 yapılmış
Rulman: rulman
Hız kontrolü: musluklar (çok hızlı ürün) kaydırır
Çalışma sıcaklığı: -25 ~ 55 ° c
Yalıtım sınıfı: F
Koruma sınıfı: IP44
Onaylar: CCC, CE

Performans:

Çalışma noktası | Statik basınç (Pa) | Hava akımı (m3/H) | Hız (r/dak) | Güç (W) |
1 | 125Pa | 715 | 2480 | 123 |
2 | 175Pa | 615 | 2420 | 126 |
3 | 220Pa | 515 | 2390 | 127 |
4 | 250Pa | 420 | 2380 | 127 |
Fan modeli | Motor tipi | Voltaj | Güç | Akım | Hız | Hava akımı | Gürültü |
(V) | (W) | (A) | (R/dak) | (M3/H) | Lp:dB(A) | ||
BC220A-A092C2-** | AM092C | AC230/50Hz | 105 | 0.43 | 2500 | 920 | 72 |
Hızlı bağlantılar